Kami telah beberapa kali menjumpai kerusakan power suply SHARP yang menggunakan ic tipe STR-W6753 (atau sejenisnya), dengan gejala kerusakan sebagai berikut :
Saat st-by tegangan B+ normal, tetapi begitu power di-on-kan tegangan B+ langsung hilang
Pesawat gambar normal – tetapi kadang mati protek sendiri – dan tegangan B+ hilang. Kalau dipelajari lebih lanjut pesawat mati protek saat raster menampilkan gambar dengan britnes yang terang.
Pesawat gambar normal – tetapi jika tegangan screen dinaikkan – pesawat langsung mati protek dan tegangan B+ hilang.
Trobelshuting
Saat mati protek - lampu indikator juga mati (bukan warna merah atau kedip-kedip)
Pesawat akan mau hidup kembali jika ac cord dicabut dahulu kemudian dipasang lagi
Saat tiba-tiba mati protek – kalau tegangan pada elko besar bagian power suply diperiksa – ternyata masih menyimpan muatan.
Menurut analisa kami semua problem diatas disebabkan :
STRWxxxx telah mengalami sedikit degradasi atau ada nilai resistor yang berubah.
Sewaktu pesawat dihidupkan atau ketika gambar terang – arus B+ akan naik.
Demikian pula arus yang melalui D (drain) – S (surce) – R705//R706 akan bertambah besar pula.
Pada hal didalam sirkit STR ini memiliki sirkit “over current protektor” – dimana sensor samplingnya adalah “R705//R706 yang ke ground.
Jika arus FET naik bertambah besar – maka tegangan pada ujung kedua ressitor tersebut juga akan bertambah besar pula (sesuai hukum ohm V=I x R)
Perubahan tegangan pada resistor ini akan diterima oleh pin-7 sebagai input triger protektor over current (OCP)
Jika pada tegangan pada R705//R706 naik melebihi level tertentu – akan menyebabkan STR mati protek.
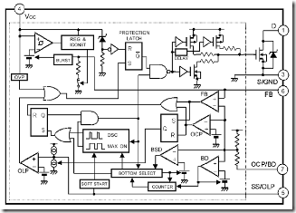
Blok diagram STR-W6753 (gambar diambil dari datasheet Sanken)
Solusi untuk poblem diatas :
-Periksa dahulu semua elko yang pada bagian primer power suply dengan ESR-meter
-Coba ganti resistor R705//R706 dengan nilai sedikit lebih kecil.
-Pilih resistor yang nilainya besar untuk coba diganti. Misalnya 0.47 ohm diganti dengan nilai 0.39 ohm.
-Kalau sudah coba diganti resistor masih problem – maka ganti lagi dengan nilai yang sedikit lebih kecil – ---misalnya ganti dengan nilai 0.33 ohm.
-Kalau ternyata masih problem – maka alternatip terachir adalah ganti STR .
Saat st-by tegangan B+ normal, tetapi begitu power di-on-kan tegangan B+ langsung hilang
Pesawat gambar normal – tetapi kadang mati protek sendiri – dan tegangan B+ hilang. Kalau dipelajari lebih lanjut pesawat mati protek saat raster menampilkan gambar dengan britnes yang terang.
Pesawat gambar normal – tetapi jika tegangan screen dinaikkan – pesawat langsung mati protek dan tegangan B+ hilang.
Trobelshuting
Saat mati protek - lampu indikator juga mati (bukan warna merah atau kedip-kedip)
Pesawat akan mau hidup kembali jika ac cord dicabut dahulu kemudian dipasang lagi
Saat tiba-tiba mati protek – kalau tegangan pada elko besar bagian power suply diperiksa – ternyata masih menyimpan muatan.
Menurut analisa kami semua problem diatas disebabkan :
STRWxxxx telah mengalami sedikit degradasi atau ada nilai resistor yang berubah.
Sewaktu pesawat dihidupkan atau ketika gambar terang – arus B+ akan naik.
Demikian pula arus yang melalui D (drain) – S (surce) – R705//R706 akan bertambah besar pula.
Pada hal didalam sirkit STR ini memiliki sirkit “over current protektor” – dimana sensor samplingnya adalah “R705//R706 yang ke ground.
Jika arus FET naik bertambah besar – maka tegangan pada ujung kedua ressitor tersebut juga akan bertambah besar pula (sesuai hukum ohm V=I x R)
Perubahan tegangan pada resistor ini akan diterima oleh pin-7 sebagai input triger protektor over current (OCP)
Jika pada tegangan pada R705//R706 naik melebihi level tertentu – akan menyebabkan STR mati protek.
Solusi untuk poblem diatas :
-Periksa dahulu semua elko yang pada bagian primer power suply dengan ESR-meter
-Coba ganti resistor R705//R706 dengan nilai sedikit lebih kecil.
-Pilih resistor yang nilainya besar untuk coba diganti. Misalnya 0.47 ohm diganti dengan nilai 0.39 ohm.
-Kalau sudah coba diganti resistor masih problem – maka ganti lagi dengan nilai yang sedikit lebih kecil – ---misalnya ganti dengan nilai 0.33 ohm.
-Kalau ternyata masih problem – maka alternatip terachir adalah ganti STR .
ok gan di coba
BalasHapus